Product Summary
The HLMP-2785 is a rectangular light source designed for a variety of applications where a large bright source of light is required. It is configured in single=in-line and dual-in-line packages that contain either single or segmented light emitting areas. The applications of the HLMP-2785 include business machine message annunciators, telecommunications indicators, front panel process status indicators, PC board identifiers, bar graphs.
Parametrics
HLMP-2785 absolute maximum ratings: (1)Average power dissipated per LED chip: 85mW; (2)Peak forward current per LED chip: 60mA; (3)Average forward current per LED chip: 20mA; (4)DC forward current per LED chip: 25mA; (6)Reverse voltage per LED chip: 6V; (7)Operating temperature range: -40 to +85℃; (8)Storage temperature range: -40 to +85℃.
Features
HLMP-2785 features: (1)Large bright, uniform light emitting areas; (2)Choices of colors; (3)Categorized for light output; (4)Yellow and Green categorized for dominant wavelength; (5)Excellent ON-OFF contrast; (6)X-Y stackable; (7)Flush mountable; (8)Can be used with panel and legend mounts; (9)Light emitting surface suitable for legend attachment per application note 2012; (10)HLCP-X100 Series designed for low current operation; (11)Bicolor devices available.
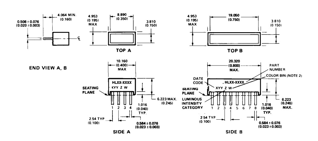
Diagrams

| Image | Part No | Mfg | Description | ![]() |
Pricing (USD) |
Quantity | ||||||||||||
|---|---|---|---|---|---|---|---|---|---|---|---|---|---|---|---|---|---|---|
![]() |
![]() HLMP-2785 |
![]() Avago Technologies |
![]() LED Bars and Arrays Yellow Light Bar |
![]() Data Sheet |
![]()
|
|
||||||||||||
![]() |
![]() HLMP-2785-EF000 |
![]() Avago Technologies |
![]() LED Bars and Arrays Yellow Light Bar |
![]() Data Sheet |
![]()
|
|
||||||||||||
![]() |
![]() HLMP-2785-EFB00 |
![]() Avago Technologies |
![]() LED Bars and Arrays Yellow Light Bar |
![]() Data Sheet |
![]()
|
|
||||||||||||
(China (Mainland))










